英凯阀业


英凯是一家自2010年开始营业的专业制造温度控制阀门的生产厂家。英凯提供客户所需求的所有的满意产品。我们的服务包括温度控制阀的设计和制造、蜡膨胀元件的销售。

图片墙


展示图片 展示图片 展示图片 展示图片 展示图片 展示图片

联系我们


电话: 0519-8666 9098

邮箱: market@enkair.com

地址: 常州市钟楼区广源路132号9-2幢

主要链接


新闻中心 keyboard_arrow_down

联系我们


电话: 0519-8666 9098

邮箱: market@enkair.com

地址: 常州市钟楼区广源路132号9-2幢

logo
logo
logo
32TS

32TS

控制温度范围广
抗震抗冲击性好
自力式感温,可靠性好
零部件少,适用流量范围广
安装位置灵活,可任意方向安装
工作原理
自力式温控阀 采用石蜡受热膨胀原理,膏状态的石蜡在较小的温度范围内具有较高的膨胀率,温控阀芯将根据受热状态推动衬套运动,调节进入冷却器的液体流量,最终达到控制液体温度的效果。所有温控阀的控制温度都是预先设定好的,出厂后无需任何调节。本产品广泛应用千压缩机工作,柴油机的冷却和润滑系统。
当温控阀应用于分流系统时,启动时所有流体均不经过冷却器,温控阀是通过旁通口(B)返回系统。当流体温度上升至可控制范围时,一部分流体将通过三通温控阀的出口(C)进入冷却系统,随着介质温度持续上升,会有更多的流体经过冷却器。当温控阀处千完全打开状态下时,所有流体将通过冷却系器,最终达到调节温度的效果。
当温控阀应用千混流系统时,高温流体经过B端口进入温控阀,而低温流体则通过C端口进入温控阀,两种不同温度的流体将在温控阀内被调节到设定的温度,最后经过A口进入到应用系统中。
工作原理
工作曲线
下图直观的给出了温控阀芯行程和温度的变化关系,该曲线又分为温度升程曲线和温度降程曲线,这两条曲线之间的差别叫迟滞。
主要是由阀芯弹簧的弹力、阀芯内部零部件之间的摩擦力和温度惯性造成的。该曲线的形状和梯度取决于蜡的成份及配套的弹簧的弹力。
工作曲线
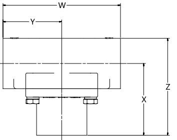
外形图
外形图
流量降压图
流量降压图
产品规格
产品型号 阀体材质 连接螺纹规格 主要尺寸(毫米) 阀芯数量(个)
"X" "Y" "W" "Z"
25TS A,B,C,S,R 螺纹 95 78 156 / 1
32TS A,B,C,S,R 螺纹 95 78 156 / 1
40TS A,B,C,S,R 螺纹 95 78 156 / 1
压力重量
阀体材质 工作压力(PSI) 重量(LBS)
铸铁 150 6.5
150 3.0
180 8.5
球铁 225 6.5
碳钢 670 7.0
不锈钢 590 7.0
安装应用
安装应用
竞争品牌型号兼容表
AMOT P/NENKAIR P/N
AMOT P/NENKAIR P/N
1 1/4 EOBT32BTS
1 1/4 EOST32STS
1 1/4 EOCT32CTS